万向排风罩
来源: | 作者: | 日期:2023-10-31 16:05:48 | 阅读: 1031


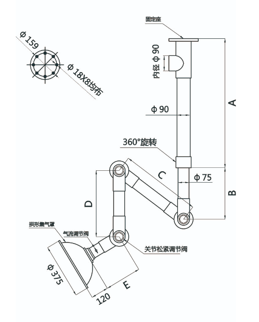
万向抽气罩: Φ75
关节:高密度PP材质,可360旋转调节方向,易拆卸、重组及清洗。
关节及密封圈:不易老化之高密度橡胶
关节连接杆:304不锈钢
关节松紧旋钮:全铜材质,内嵌不锈钢轴承,于关节连接杆锁合
气流调节阀:手动调节外部阀门旋钮,控制进入之气流量
拱形/杯形集气罩:高密度PP/PC材质
伸缩导管:75mm/PP
独有360旋转装置:以固定架为中心最大活动半径可达1600mm
固定底座: 模具注塑一体成型,牢度强,不脱底。
上一篇:没有了
下一篇:原子抽气罩